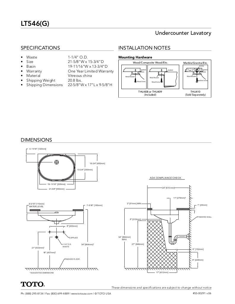
Undercounter Lavatory
Description
Description
Created with modern simplicity, this lavatory offers a beautifully rimless, oval design. Features a generously wide basin, large backsplash and rear overflow. ADA compliant.
Features
• CEFIONTECT® Ceramic Glaze
• Installation Template, Mounting Hardware Included
• Spacious Basin
• Large Backsplash
• Rear Overflow
Certifications
• ADA Compliant : Serves people of every age and capability, without additional adaptation or specialization, and so can be enjoyed by everyone, always optimized for the best experience.
• California Proposition 65 : Complies with California Proposition 65 warning requirements.
Highlights
• CEFIONTECT® : CEFIONTECT®ceramic glaze creates an extraordinarily smooth surface that helps keep the bowl cleaner longer.
The modern aesthetic of this lavatory exemplifies thoughtful TOTO design. Here, Beauty = Form + Function, making your bathroom experience enjoyable and inspiring every time.
-
Length-
-
Width-
-
Height-






